晶振分類
- 晶振系列
- 陶瓷晶振
- 陶瓷濾波器
- 微孔霧化片
- 希華晶體
- 石英晶振
- SMD晶振
- 聲表面諧振器
- NSK晶振
- TXC晶振
- 臺灣加高晶振
- 臺灣鴻星晶振
- 百利通亞陶晶振
- 臺灣泰藝晶振
- AKER晶振
- NKG晶振
- 進口晶振
- KDS晶振
- 精工晶振
- 村田晶振
- 西鐵城晶振
- 愛普生晶振
- 亞陶,嘉碩晶體
- CTS晶體
- 京瓷晶振
- NDK晶振
- 大河晶振
- 瑪居禮晶振
- 富士晶振
- NAKA晶振
- SMI晶振
- NJR晶振
- 移動設備
- 數碼電子
- 通信網絡
- 醫療電子
- 安防GPRS導航
- 汽車電子
- 歐美晶振
- Abracon晶振
- 康納溫菲爾德晶振
- 日蝕晶振
- ECS晶振
- 高利奇晶振
- 格林雷晶振
- IDT晶振
- JAUCH晶振
- Pletronics晶振
- 拉隆晶振
- Statek晶振
- SiTime晶振
- 維管晶振
- 瑞康晶振
- 微晶晶振
- AEK晶振
- AEL晶振
- Cardinal晶振
- Crystek晶振
- Euroquartz晶振
- Fox晶振
- Frequency晶振
- GEYER晶振
- KVG晶振
- ILSI晶振
- Mmdcomp晶振
- MtronPTI晶振
- QANTEK晶振
- QuartzCom晶振
- Quarztechnik晶振
- Suntsu晶振
- Transko晶振
- Wi2Wi晶振
- ACT晶振
- MTI-milliren晶振
- Lihom晶振
- Rubyquartz晶振
- Oscilent晶振
- SHINSUNG晶振
- ITTI晶振
- PDI晶振
- IQD晶振
- Microchip晶振
- Silicon晶振
- Anderson晶振
- Fortiming晶振
- CORE晶振
- NIPPON晶振
- NIC晶振
- QVS晶振
- Bomar晶振
- Bliley晶振
- GED晶振
- FILTRONETICS晶振
- STD晶振
- Q-Tech晶振
- Wenzel晶振
- NEL晶振
- EM晶振
- PETERMANN晶振
- FCD-Tech晶振
- HEC晶振
- FMI晶振
- Macrobizes晶振
- AXTAL晶振
- Sunny晶振
- ARGO晶振
- 石英晶體振蕩器
- 有源晶振
- 溫補晶振
- 壓控晶振
- 壓控溫補晶振
- 恒溫晶振
- 差分晶振
常見問題
更多>>
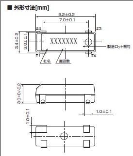
KDS音叉型晶體諧振器,石英水晶振子DMX-26,娛樂產品晶振,超小型,薄型,質地輕的表面貼片音叉型晶體諧振器,具備優良的耐熱性,耐環境特性,在辦公自動化,家電領域,移動通信領域可發揮優良的電氣特性,符合無鉛標準,支持自動貼裝,回流焊最適合數字AV設備,PC,娛樂產品設備等多用途.
.jpg)
| 規格 | DMX-26S | DMX-26 | DMX-38 |
| 頻率范圍 | 32.768kHz(30~100kHz) | 32.768kHz(14.75~100kHz) | |
| 負載電容 | 12.59pF | ||
| 激勵功率 | 1.0μW(2.0μW Max.) | ||
| 頻率公差 | ±30×10-6(at25℃) | ||
| 串聯電阻 | 50KΩmax | ||
| 拐點溫度 | +25℃±5℃ | ||
| 二次溫度系數 | -0.04×10-6/℃2 Max | ||
| 工作溫度范圍 | -40~+85℃ | ||
| 保存溫度范圍 | -40~+85℃ | ||
| 并列電容 | 1.25pF Typ | 1.40pF Typ | 1.65pF Typ |
| 封裝 | 2500pcs./reel (Φ330) | 1000pcs./reel (Φ330) | |
.jpg)



自1959年以來,在Daishinku總是確保全球消費者的信任通過提供產品滿足需要投身于更大的復雜性,在KDS大真空的“依賴”的三個哲學:“可靠的人”“可靠的產品,”和“可靠的公司.“作為一個全球石英設備制造商,大真空株式會社努力幫助實現新一代電子社會,更方便、更舒適,通過開發水晶設備對全球環境友好.

大真空集團通過了國際標準體系ISO9001、ISO/TS16949的認證.從1996年通過ISO9002認證開始,相繼通過了ISO9001、QS9000、ISO/TS16949等品質管理體系認證,公司以在日本國內生產基地運用統一的品質管理體系為目標,所有生產基地均通過了至少一項品質管理體系認證.今后也將活用基于ISO9001、ISO/TS16949的品質管理體系,致力于品質管理體系的改善以及提高產品品質.另外,在海外生產基地——天津大真空有限公司、PT.KDS INDONESIA、加高電子(臺灣、深圳、泰國)也先后通過了ISO9001、ISO/TS16949,正努力完善品質管理體系,不斷提高產品品質.
.jpg)
生長晶體制成晶圓和電子設備通過各種流程.因為不同的水晶有不同的特定屬性晶軸,硬度等,KDS大真空系統適應不同的方法處理適合每個晶體.具體地說,KDS集團正在改善其對hard-to-machine材料加工技術.
.jpg)









