晶振分類
- 晶振系列
- 陶瓷晶振
- 陶瓷濾波器
- 微孔霧化片
- 希華晶體
- 石英晶振
- SMD晶振
- 聲表面諧振器
- NSK晶振
- TXC晶振
- 臺灣加高晶振
- 臺灣鴻星晶振
- 百利通亞陶晶振
- 臺灣泰藝晶振
- AKER晶振
- NKG晶振
- 進口晶振
- KDS晶振
- 精工晶振
- 村田晶振
- 西鐵城晶振
- 愛普生晶振
- 亞陶,嘉碩晶體
- CTS晶體
- 京瓷晶振
- NDK晶振
- 大河晶振
- 瑪居禮晶振
- 富士晶振
- NAKA晶振
- SMI晶振
- NJR晶振
- 移動設備
- 數碼電子
- 通信網絡
- 醫療電子
- 安防GPRS導航
- 汽車電子
- 歐美晶振
- Abracon晶振
- 康納溫菲爾德晶振
- 日蝕晶振
- ECS晶振
- 高利奇晶振
- 格林雷晶振
- IDT晶振
- JAUCH晶振
- Pletronics晶振
- 拉隆晶振
- Statek晶振
- SiTime晶振
- 維管晶振
- 瑞康晶振
- 微晶晶振
- AEK晶振
- AEL晶振
- Cardinal晶振
- Crystek晶振
- Euroquartz晶振
- Fox晶振
- Frequency晶振
- GEYER晶振
- KVG晶振
- ILSI晶振
- Mmdcomp晶振
- MtronPTI晶振
- QANTEK晶振
- QuartzCom晶振
- Quarztechnik晶振
- Suntsu晶振
- Transko晶振
- Wi2Wi晶振
- ACT晶振
- MTI-milliren晶振
- Lihom晶振
- Rubyquartz晶振
- Oscilent晶振
- SHINSUNG晶振
- ITTI晶振
- PDI晶振
- IQD晶振
- Microchip晶振
- Silicon晶振
- Anderson晶振
- Fortiming晶振
- CORE晶振
- NIPPON晶振
- NIC晶振
- QVS晶振
- Bomar晶振
- Bliley晶振
- GED晶振
- FILTRONETICS晶振
- STD晶振
- Q-Tech晶振
- Wenzel晶振
- NEL晶振
- EM晶振
- PETERMANN晶振
- FCD-Tech晶振
- HEC晶振
- FMI晶振
- Macrobizes晶振
- AXTAL晶振
- Sunny晶振
- ARGO晶振
- 石英晶體振蕩器
- 有源晶振
- 溫補晶振
- 壓控晶振
- 壓控溫補晶振
- 恒溫晶振
- 差分晶振
常見問題
更多>>

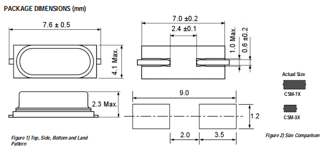
ECS-250-20-3X-TR,CSM-3X,25MHz,ECS貼片晶振,石英晶振,美國進口晶振,ECS晶振,型號:CSM-3X系列晶振,編碼為:ECS-250-20-3X-TR,頻率:25MHz,,負載電容:20pf,尺寸:7*4.1mm,貼片晶振,無源晶振,石英晶體諧振器,CSM-3X 石英晶體 CSM-3X是小型低輪廓電阻焊接型 貼片石英晶體。減少CSM-7X(HC-49 usx)的占地面積 SMD)減少50%,應用于數字家電,移動通信設備,無線晶振,娛樂產品設備等用途。
.jpg)
ECS-250-20-3X-TR,CSM-3X,25MHz,ECS貼片晶振
| PARAMETERS | CONDITIONS | CSM-3X | UNITS | |||||||||||||||
| MIN | TYP | MAX | ||||||||||||||||
| Frequency Range | fo | 6.000 | 40.000 | MHz | ||||||||||||||
| Frequency Tolerance | at +25°C | ± 30 | ppm | |||||||||||||||
| Frequency Stability ref @+25°C | Standard -10 to +70°C | ± 50 | ppm | |||||||||||||||
| Shunt Capacitance | Co | 7 | pF | |||||||||||||||
| Load Capacitance (CL) | Specify in P/N | 10 | 20 | Series | pF | |||||||||||||
| Drive Level | 100 | µW | ||||||||||||||||
| Operating Temperature | Standard | -10 | +70 | °C | ||||||||||||||
| Storage Temperature | -40 | +85 | °C | |||||||||||||||
| Aging (First Year) | @ +25°C ±3°C | ±5 | ppm | |||||||||||||||
.jpg)
ECS-250-20-3X-TR,CSM-3X,25MHz,ECS貼片晶振

| ECS-49-S-7S-TR | ECS晶振 | ECX-3S | MHz Crystal | 4.9152MHz |
| ECS-49-S-7S-TR | ECS晶振 | ECX-3S | MHz Crystal | 4.9152MHz |
| ECS-400-8-47-JTN-TR | ECS晶振 | ECX-1247 | MHz Crystal | 40MHz |
| ECS-400-8-47-JTN-TR | ECS晶振 | ECX-1247 | MHz Crystal | 40MHz |
| ECS-400-8-47-JTN-TR | ECS晶振 | ECX-1247 | MHz Crystal | 40MHz |
| ECS-80-S-7SX-TR | ECS晶振 | ECX-3SX | MHz Crystal | 8MHz |
| ECS-80-S-7SX-TR | ECS晶振 | ECX-3SX | MHz Crystal | 8MHz |
| ECS-80-S-7SX-TR | ECS晶振 | ECX-3SX | MHz Crystal | 8MHz |
| ECS-135.0-18-7SX-TR | ECS晶振 | ECX-3SX | MHz Crystal | 13.5MHz |
| ECS-135.0-18-7SX-TR | ECS晶振 | ECX-3SX | MHz Crystal | 13.5MHz |
| ECS-135.0-18-7SX-TR | ECS晶振 | ECX-3SX | MHz Crystal | 13.5MHz |
| ECS-80-18-7SX-TR | ECS晶振 | ECX-3SX | MHz Crystal | 8MHz |
| ECS-80-18-7SX-TR | ECS晶振 | ECX-3SX | MHz Crystal | 8MHz |
| ECS-80-18-7SX-TR | ECS晶振 | ECX-3SX | MHz Crystal | 8MHz |
| ECS-120-32-7S-TR | ECS晶振 | ECX-3S | MHz Crystal | 12MHz |
| ECS-120-32-7S-TR | ECS晶振 | ECX-3S | MHz Crystal | 12MHz |
| ECS-120-32-7S-TR | ECS晶振 | ECX-3S | MHz Crystal | 12MHz |
| ECS-65-12-7S-TR | ECS晶振 | ECX-3S | MHz Crystal | 6.5536MHz |
| ECS-65-12-7S-TR | ECS晶振 | ECX-3S | MHz Crystal | 6.5536MHz |
| ECS-65-12-7S-TR | ECS晶振 | ECX-3S | MHz Crystal | 6.5536MHz |
| ECS-80-S-7S-TR | ECS晶振 | ECX-3S | MHz Crystal | 8MHz |
| ECS-80-S-7S-TR | ECS晶振 | ECX-3S | MHz Crystal | 8MHz |
| ECS-80-S-7S-TR | ECS晶振 | ECX-3S | MHz Crystal | 8MHz |
| ECS-110.5-S-7S-TR | ECS晶振 | ECX-3S | MHz Crystal | 11.0592MHz |
| ECS-110.5-S-7S-TR | ECS晶振 | ECX-3S | MHz Crystal | 11.0592MHz |
| ECS-110.5-S-7S-TR | ECS晶振 | ECX-3S | MHz Crystal | 11.0592MHz |
| ECS-100-S-7S-TR | ECS晶振 | ECX-3S | MHz Crystal | 10MHz |
| ECS-100-S-7S-TR | ECS晶振 | ECX-3S | MHz Crystal | 10MHz |
| ECS-100-S-7S-TR | ECS晶振 | ECX-3S | MHz Crystal | 10MHz |
| ECS-240-18-7SX-TR | ECS晶振 | ECX-3SX | MHz Crystal | 24MHz |
| ECS-240-18-7SX-TR | 石英晶振 | ECX-3SX | MHz Crystal | 24MHz |
| ECS-240-18-7SX-TR | ECS晶振 | ECX-3SX | MHz Crystal | 24MHz |
| ECS-200-S-7SX-TR | ECS晶振 | ECX-3SX | MHz Crystal | 20MHz |
| ECS-200-S-7SX-TR | ECS晶振 | ECX-3SX | MHz Crystal | 20MHz |
| ECS-200-S-7SX-TR | ECS晶振 | ECX-3SX | MHz Crystal | 20MHz |
| ECS-80-S-18-TR | ECS晶振 | CSM-12 | MHz Crystal | 8MHz |
| ECS-80-S-18-TR | ECS晶振 | CSM-12 | MHz Crystal | 8MHz |
| ECS-80-S-18-TR | ECS晶振 | CSM-12 | MHz Crystal | 8MHz |
| ECS-49-18-18-TR | ECS晶振 | CSM-12 | MHz Crystal | 4.9152MHz |
| ECS-49-18-18-TR | ECS晶振 | CSM-12 | MHz Crystal | 4.9152MHz |
| ECS-49-18-18-TR | ECS晶振 | CSM-12 | MHz Crystal | 4.9152MHz |
| ECS-41-18-18-TR | ECS晶振 | CSM-12 | MHz Crystal | 4.096MHz |
| ECS-41-18-18-TR | ECS晶振 | CSM-12 | MHz Crystal | 4.096MHz |
| ECS-41-18-18-TR | ECS晶振 | CSM-12 | MHz Crystal | 4.096MHz |
| ECS-112.896-18-18-TR | ECS晶振 | CSM-12 | MHz Crystal | 11.2896MHz |
| ECS-112.896-18-18-TR | ECS晶振 | CSM-12 | MHz Crystal | 11.2896MHz |
| ECS-112.896-18-18-TR | ECS晶振 | CSM-12 | MHz Crystal | 11.2896MHz |
| ECS-73-18-18-TR | ECS晶振 | CSM-12 | MHz Crystal | 7.3728MHz |
| ECS-73-18-18-TR | ECS晶振 | CSM-12 | MHz Crystal | 7.3728MHz |
| ECS-73-18-18-TR | ECS晶振 | CSM-12 | MHz Crystal | 7.3728MHz |
| ECS-400-20-30B-TR | ECS晶振 | ECX-53B | MHz Crystal | 40MHz |
| ECS-400-20-30B-TR | ECS晶振 | ECX-53B | MHz Crystal | 40MHz |
| ECS-400-20-30B-TR | ECS晶振 | ECX-53B | MHz Crystal | 40MHz |
| ECS-200-CDX-0778 | ECS晶振 | - | MHz Crystal | 20MHz |
| ECS-200-CDX-0778 | ECS晶振 | - | MHz Crystal | 20MHz |
.jpg)
QQ:769468702
手機:13590198504
郵箱:zhaoxiandz@163.com
網站:http://m.uanxin.cn/











