晶振分類
- 晶振系列
- 陶瓷晶振
- 陶瓷濾波器
- 微孔霧化片
- 希華晶體
- 石英晶振
- SMD晶振
- 聲表面諧振器
- NSK晶振
- TXC晶振
- 臺灣加高晶振
- 臺灣鴻星晶振
- 百利通亞陶晶振
- 臺灣泰藝晶振
- AKER晶振
- NKG晶振
- 進口晶振
- KDS晶振
- 精工晶振
- 村田晶振
- 西鐵城晶振
- 愛普生晶振
- 亞陶,嘉碩晶體
- CTS晶體
- 京瓷晶振
- NDK晶振
- 大河晶振
- 瑪居禮晶振
- 富士晶振
- NAKA晶振
- SMI晶振
- NJR晶振
- 移動設備
- 數碼電子
- 通信網絡
- 醫療電子
- 安防GPRS導航
- 汽車電子
- 歐美晶振
- Abracon晶振
- 康納溫菲爾德晶振
- 日蝕晶振
- ECS晶振
- 高利奇晶振
- 格林雷晶振
- IDT晶振
- JAUCH晶振
- Pletronics晶振
- 拉隆晶振
- Statek晶振
- SiTime晶振
- 維管晶振
- 瑞康晶振
- 微晶晶振
- AEK晶振
- AEL晶振
- Cardinal晶振
- Crystek晶振
- Euroquartz晶振
- Fox晶振
- Frequency晶振
- GEYER晶振
- KVG晶振
- ILSI晶振
- Mmdcomp晶振
- MtronPTI晶振
- QANTEK晶振
- QuartzCom晶振
- Quarztechnik晶振
- Suntsu晶振
- Transko晶振
- Wi2Wi晶振
- ACT晶振
- MTI-milliren晶振
- Lihom晶振
- Rubyquartz晶振
- Oscilent晶振
- SHINSUNG晶振
- ITTI晶振
- PDI晶振
- IQD晶振
- Microchip晶振
- Silicon晶振
- Anderson晶振
- Fortiming晶振
- CORE晶振
- NIPPON晶振
- NIC晶振
- QVS晶振
- Bomar晶振
- Bliley晶振
- GED晶振
- FILTRONETICS晶振
- STD晶振
- Q-Tech晶振
- Wenzel晶振
- NEL晶振
- EM晶振
- PETERMANN晶振
- FCD-Tech晶振
- HEC晶振
- FMI晶振
- Macrobizes晶振
- AXTAL晶振
- Sunny晶振
- ARGO晶振
- 石英晶體振蕩器
- 有源晶振
- 溫補晶振
- 壓控晶振
- 壓控溫補晶振
- 恒溫晶振
- 差分晶振
常見問題
更多>>
Raltron晶振公司積極追求領先的晶體和振蕩器技術,專注于會議客戶的需求. 這確保客戶獲得最具成本效益的頻率管理產品在當今全球市場上可用. Raltron產品具有精確的頻率容穩定性好,頻率范圍寬,封裝更小,相位噪聲低,抖動小等優點,最重要的是,他們以非常有競爭力的成本滿足或超越客戶的規格.
Raltron晶振還通過提供追求快速增長的物聯網和機器到機器市場完整的無源器件封裝,包括晶體,石英水晶振子,TCXO,SAW濾波器,LTCC濾波器和巴倫以及相應IC解決方案規定的各種天線. Raltron 晶振公司致力于為符合歐盟議會和2011年6月08日理事會2011/65 / EU指令的頻率管理設備提供限制在電氣和電子設備中使用某些有害物質(RoHS指令).

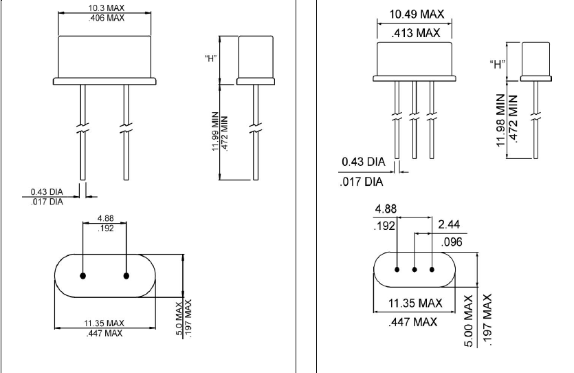
拉隆晶振,石英晶振, AS (HC-49/S)晶振,外觀完全使用金屬材料封裝的,產品本身采用全自動石英晶體檢測儀,以及跌落,漏氣等苛刻實驗.產品本身具有高穩定性,高可靠性的石英晶體諧振器,焊接方面支持表面貼裝,外觀采用金屬封裝,具有充分的密封性能,晶振本身能確保其高可靠性,采用編帶包裝,可對應產品應用到自動貼片機告訴安裝,滿足無鉛焊接的高溫回流溫度曲線要求.
石英晶振產品電極的設計:石英晶振產品的電極對于石英晶體元器件來講作用是1.改變頻率;2.往外界引出電極;3.改變電阻;4.抑制雜波.第1、2、3項相對簡單,第4項的設計很關鍵,電極的形狀、尺寸、厚度以及電極的種類(如金、銀等)都會導致第4項的變化.特別是隨著晶振的晶片尺寸的縮小對于晶片電極設計的形狀及尺寸和精度上都有更高的要求---公差大小、位置的一致性等對晶振產品的影響的程度增大,故對電極的設計提出了更精準的要求.AS(HC-49/S)晶振,插件石英晶體,引腳型石英晶振。
|

 11_4_4_5.png)

通電
不建議從中間電位和/或極快速通電,否則會導致有源晶體無法產生振蕩和/或非正常工作.晶振的軟焊溫度條件被設計成可以和普通電子零部件同時作業,但如果是超過規格以上的高溫,則頻率有可能發生較大的變化,因此請避免不必要的高溫度.有關SMD產品的回流焊焊接溫度描述,請參照“表面貼裝型晶體產品的回流焊焊接溫度描述”.AS(HC-49/S)晶振,插件石英晶體,引腳型石英晶振。
負載電容
振蕩電路中負載電容的不同,可能導致振蕩頻率與設計頻率之間產生偏差.試圖通過強力調整,可能只會導致不正常的振蕩.在使用之前,請指明該振動電路的負載電容(請參閱“負載電容”章節內容).
晶體振蕩器和實時時鐘模塊
所有石英晶體振蕩器和實時時鐘模塊都以IC形式提供.拉隆晶振,石英晶振, AS (HC-49/S)晶振。
清洗
關于一般清洗液的使用以及超聲波清洗沒有問題,但這僅僅是對單個石英晶體產品進行試驗所得的結果,因此請根據實際使用狀態進行確認.由于音叉型晶體諧振器的頻率范圍和超聲波清洗機的清洗頻率很近,容易受到共振破壞,因此請盡可能避免超聲波清洗.若要進行超聲波清洗,必須事先根據實際使用狀態進行確認.

RALTRON晶振遵守所有適用的有關環境、健康和安全的法律和法規以及RALTRON晶振集團自己的有關環境、工業衛生和安全的方針和承諾. 為確保安全、提高保護預防措施、49S型無源插件晶振產品的可靠性以及職業安全,確保職業健康與環境的優越性,通過正式的管理評審和對健康、安全和環境實施效果的持續改進,保護人群及財產與環境.拉隆晶振,石英晶振, AS (HC-49/S)晶振。
我們將定期對雇員進行教育和培訓,確保他們能夠安全高效的工作,樹立他們的環保責任感. 與雇員、客戶、公眾、政府及關注公司環境績效和持續改進計劃的相關方進行充分開放的信息交流.與我們的員工一起開創并保持一個免于事故的49S插件晶振產品生產工作場所.重視污染預防,消除偏離程序的行為強調通過員工努力這一最可行的方法持續改進我們經營活動的環境績效. AS(HC-49/S)晶振,插件石英晶體,引腳型石英晶振。
美國RALTRON晶振勞工職業安全衛生議題近年成為世界各國及企業關注焦如何做到‘降低職業災害發生、確保工作場所安全、實施員工健康管理’一直是RALTRON晶體努力的方向,公司于2008年12月通過OHSAS18001職業安全衛生管理系統驗證,提供勞工符合系統要求的安全衛生工作環境.我們將持續的環境、健康和安全方面的改進、污染預防和員工的努力納入日常運行當中.加強產品污染防治,減少現有的橢圓形耐高溫石英晶振產品污染廢棄物以及在未來生產制造中所產生的污染.

深圳市兆現電子有限公司
聯系人:龔成
電話:0755--27876236聯系人:龔成
QQ:769468702
手機:13590198504
郵箱:zhaoxiandz@163.com
網站:http://m.uanxin.cn/









